KGP-700L·S型电动加油泵
一、使用条件
| 该电动加油泵适用于干油集中润滑系统中,向电动润滑泵的贮油器内充填润滑剂,该泵为内藏式柱塞容积泵,采用减速电机直接传动,带动偏心轮往复运动,实现吸压油功能。该泵运转平稳,输出压力高,设有低油位报警装置,能及时地向油筒内充填润滑脂。 | ![]() |
二、技术参数
| 型号 | 公称压力MPa | 额定排量mL/min | 电机功率kW | 减速箱加油量L | 重量kg |
| KGP-700LS | 3 | 1200 | 0.37 | 1::3 | 70 |
使用介质为锥入度不低于265(25℃,150g)1/10mm的润滑脂(NLGI0#~2#)或粘度等级大于N46的工业润滑油。
三、使用说明
| 1、在使用前,首先用〉N220润滑油加入减速箱腔内,加到高于油标位置。 2、按旋向箭头方向接线旋转。 3、输送的润滑剂必须干净,质地均匀,并在规定牌号范围内。 4、泵公称压力3MPa,出厂时已调好,不必再作调整。 5、出厂时配胶管内径为F13,对外连接螺纹为M33×2,如果润滑泵加油口连接螺纹为M32×3,则使用备用过渡接头。 6、本泵设有低位报警装置,报警后应及时地向油筒内充填润滑脂。 |
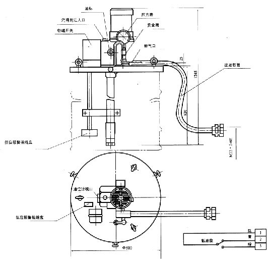
四、外形结构及尺寸

五、故障排除
1、无油排出: a、润滑剂中带有空气,松开排气阀把润滑剂中空气排净,再拧紧排气阀。 b、吸油口给杂质卡住,不能吸、压油,清除吸油口杂质。 2、出油压力低: a、泵中单向阀是否给杂质卡住或损坏,清洗单向阀杂质或更换。 b、检查各密封处及管路接头是否有泄漏,更换密封件,拧紧各接头。 |
六、型号标注说明

启东德乐润滑设备有限公司
全国服务热线:0513-83783788
电话:0513-83783788
传真:0513-83358639
QQ:378068108
邮箱:rhsblm@163.com
地址:启东市惠萍工业园河湾路88号
| * 联系人: | 请填写您的真实姓名 |
| * 手机号码: | 请填写您的联系电话 |
| 电子邮件: | |
| * 采购意向描述: | |
| 请填写采购的产品数量和产品描述,方便我们进行统一备货。 | |
| 验证码: |
|
| 我要评论: | |
| 内 容: |
(内容最多500个汉字,1000个字符) |
| 验证码: | 看不清?! |
电话:0513-83783788
官方QQ:3073722347
邮箱:rhsblm@163.com
地址:启东市惠萍工业园河湾路88号
共有-条评论【我要评论】